2025-03-10 10:45
已查看71次
氣霧劑產品以其方便、高效的特點,廣泛應用于各個領域。隨著技術的進步和環保要求的提高,氣霧劑產品在材料、推進劑和設計上不斷創新,為用戶提供更安全、更環保的使用體驗。下面就讓普創科技小編根據GB/T 14449-2017的標準來介紹需要做哪些檢測項目:
5測試方法
5.1包裝
5.1.1 氣霧罐耐壓性能
5.1.1.1 氣密性能試驗
5.1.1.1.1 儀器
檢測儀器:密封試驗儀LT-02P

氣霧罐氣密性水浴試驗儀。
5.1.1.1.2 試驗方法
將樣罐裝在水浴試驗儀上,浸人水中充氣加壓至0.80MPa~0,85MPa,觀察整個罐體1min內是否有氣泡冒出。
5.1.1.2 變形壓力和爆破壓力測試
5.1.1.2.1 儀器
氣霧罐爆破壓力測定儀:壓力范圍0MPa6.0MPa.5.1.1.2.2 測定方法
在樣罐內注滿清水,插人密封頭,旋(夾)緊后,將罐內充水加壓逐漸升高至變形壓力規定值,保持10s,然后卸壓,觀察罐體有無永久性變形,然后再重新升樂至爆破樂力規定值,保持10s,觀察罐體是否煤破。
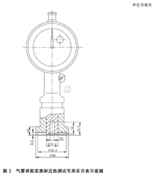
5.1.2 氣霧閥固定蓋耐壓性能
檢測儀器:泄漏與密封強度測試儀LT-03A

5.1.2.1 儀器
測試儀器為:
a)壓力試驗儀,如圖1所示,壓力表精度1,6級,量程0MPa~2.5 MPa;
b)專用百分表,如圖2所示,測量范圍0mm~10mm,分度值0.0lmm,

5.1.2.2 測試方法
將樣品用專用百分表測量h值(見圖3)后放入壓力試驗儀內,加壓至18MPa保持1min,卸壓后取出樣品,然后再用專用百分表測量h值,按式(1)計算二次測量值之間的變化,變化值不大于0.30mm為合格:


查看更多 >
?查看更多 >
?查看更多 >
?查看更多 >
?查看更多 >
?查看更多 >
?
聯系我們