2025-06-10 10:35
已查看169次
1 適用范圍
本通則規定了玻璃安瓿的分類和要求,
本通則適用于盛裝注射液的玻璃安瓿。
2、分類
主要按玻璃的顏色、易折方式進行分類
按玻璃顏色分類可分為無色玻璃安瓿和棕色玻璃安瓿。
-按易折方式分類可分為點刻痕易折玻璃安瓿和色環易折玻璃安瓿
3、測試項目
3.1內應力 用于控制玻璃安瓿退火后殘余的內應力,減少內應力對產品機械強度的影響。照玻璃容器內應力測定法(通則4003)測定,
退火后的最大永久應力造成的光程差不得過40nm/mm 。
測試儀器:普創科技SG-03T微電腦偏關應力儀

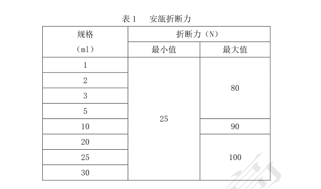
3.2折斷力 用于控制玻璃安瓿的易折性能。照玻璃安瓿折斷力測定法(通則4018)測定安瓿折斷力的范圍應符合表1規定的值。

測試儀器:普創科技PMT-B折斷力測試儀

查看更多 >
?查看更多 >
?查看更多 >
?查看更多 >
?查看更多 >
?查看更多 >
?
聯系我們