2025-09-05 10:28
已查看139次
紙餐具 paper tableware:由紙或紙板加工成型的,預期用餐或類似用途的器具。注:包括紙碗、紙桶、紙餐盒、紙板盒、紙餐盤、紙刀、紙叉、紙勺等以及配套用紙蓋
GB/T 27591-2025《紙餐具》是我國針對一次性紙制餐飲用具制定的最新國家標準,旨在規范紙餐具的質量與安全,保障消費者使用體驗并推動行業環保發展。該標準對紙餐具的
多項關鍵性能指標提出了明確要求,其中抗壓強度、整體挺度、抗彎性能是衡量產品結構穩定性和使用可靠性的核心力學指標,其檢測方法和配套儀器的選擇直接影響測試結果的準確性與權威性。
附錄A:紙碗(桶)抗壓強度的測定
儀器設備
普創科技SCT-E1包裝耐壓性能測試儀:儀器上下兩壓板的尺寸應足夠大,板面平直,并滿足如下規定

a)兩壓板工作面間平行度應不大于1:2 000;
b)可動壓板運動過程中的橫向晃動量應不大于0.05 mm。
試驗時,由電機驅動一壓板向另一壓板移動,壓板運行速度為12.5 mm/min±2.5 mm/min。儀器力值測量的最大允許誤差為±1%。
A.2試驗步驟
將試樣放在下壓板的中間位置,然后啟動儀器,使試樣受壓直至壓潰。直接讀取壓力值,精確至1N。測試時如出現試樣未被整體壓潰的情況,該測試值應舍棄,必要時調整儀
器參數,重新取樣測試。若試樣為帶蓋的紙碗(桶),則測試時不配蓋。每個樣品測定 10個試樣,測定時應5個試樣的開口向上,另外5個試樣的開口向下。
A.3 結果表示
以10個試樣測定結果的算術平均值表示,單位為牛頓(N),結果修約至整數。
附錄B:紙餐盤整體挺度的測定
B.1原理
在規定的試驗條件下,夾持紙餐盤的一端邊緣,調節支撐點高度使紙餐盤處于水平狀態,在另一端向紙餐盤施加垂直方向一定速度(25 mm/min±2 mm/min)的力,
下壓頭下降至一定位置時,記錄下壓過程中受力測量裝置受的最大力值。
B.2 儀器設備
普創科技ETT-A紙餐盤整體挺度儀,能調節紙餐盤試樣水平并夾持其邊緣,兩個支撐頭之間的間距為30mm,配備能上下移動的帶有力值傳感器
的下壓頭,下壓頭底部直徑為4mm,示意圖見圖 B.1。


B.3試驗步驟
B.3.1 任取5個紙餐盤試樣,測量試樣直徑d。若試樣形狀為方形,則測量試樣長邊的長度,以與長邊平行的對稱軸方向測定試樣整體挺度。若樣品為其他形狀,測量位置可由供需雙方協商。
B.3.2 根據試樣直徑或長度選擇相應的夾持點至兩個支撐頭中心點的距離L,,以及受力點下降距離H,,見表 B.1。

B.3.3試樣的一端置于夾持處夾緊,并調節支撐點高度,使試樣處于水平狀態(即試樣底部與水平線平行)
B.3.4 調節儀器,使夾持點至兩個支撐頭中心點的距離為L2,下壓頭置于兩個支撐頭中心點至試樣邊緣L,的中心位置的正上方。啟動儀器,下壓頭在垂直方向上向下運行,當下壓頭剛接觸
試樣時,儀器開始記錄受力距離。下壓頭運行H2,距離時,終止行程,壓力傳感器記錄所受的最大力,以牛頓(N)表示。
B.3.5每個樣品測定5個試樣,試樣的開口朝上。
B.4 結果表示
以5次測定的算術平均值表示結果,單位為牛頓(N),結果修約至小數點后2位。
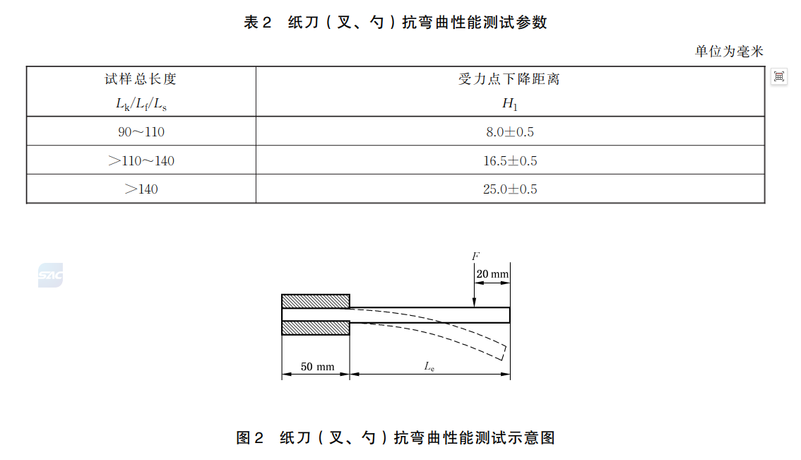
6.7 抗彎曲性能
測試儀器:普創科技ETT-A電子拉力試驗機

測試過程
6.7.1 試樣處理:從紙刀(叉、勺)樣品中取出 10個試樣,其中5個試樣不做處理,作為干態抗彎曲性能測試試樣;將另外5個試樣的使用端浸入蒸餾水或去離子水中,浸水長度為試樣未
夾持部分L。的一半(見圖 2),浸水時間為 300s±5s,測試水溫為60℃±2℃,作為濕態抗彎曲性能測試試樣。濕態試樣浸水取出后,宜盡快擦除表面多余水分,立即進行測試。
6.7.2 試驗步驟:測量紙刀 (叉、勺)試樣總長度L(L,或L),依據試樣總長度,按表2選取相應的受力點下降距離 H。將紙刀(叉、勺)的手柄固定在抗彎曲性能檢測儀上,夾持長度為
50 mm±2 mm,紙叉和紙勺試樣正面朝上,示意圖見圖 2。在距離試樣使用端20 mm 的位置,下壓頭向試樣施加壓力。下壓頭以 25 mm/min±2 mm/min 的速度在垂直方向上移動
一定距離H,記錄受力測量裝置下壓過程中所受力F的最大值,單位以牛頓(N)表示。以5次測定的算術平均值表示結果,并修約至小數點后第2位。
注:長度小于 90 mm 的紙刀(叉、勺)不考核。

查看更多 >
?查看更多 >
?查看更多 >
?查看更多 >
?查看更多 >
?查看更多 >
?
聯系我們